GIULIANI ANELLO VIC112 VALVOLA DI INTERCETTAZIONE COMBUSTIBILE Ø 1"1/2 FILETTATA
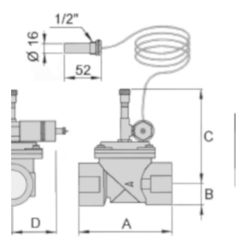
• Valvola di intercettazione combustibile modello VIC/A filettata Ø 1"1/2
• Corpo e coperchio in alluminio, componenti principali in ottone, guarnizioni in NBR
• Temperatura di taratura 96 °C ± 3 °C, riarmo = 87 °C
• Temperatura max bulbo 0 ÷ 130 °C, temperatura max ambiente 70 °C
• Pressione max valvola 1 bar, pressione max pozzetto 7 bar
• Attacchi filettati UNI-ISO 7/1
• Utilizzabile con gas delle tre famiglie, gasolio e olio combustibile
• Dispositivo di sicurezza ad azione positiva, chiusura automatica in caso di guasto
• Omologata e tarata I.S.P.E.S.L. – conforme Direttiva 97/23/CE (PED)
• Applicazione: installazione su tubazioni di alimentazione combustibile per bruciatori